中成华瑞
智慧工地系统解决方案服务商 Intelligent site system solution provider

咨询热线:
028-87373660

关于《灌浆与锚固智能化系统研发及施工技术》项目参与2022年度四川省科技进步奖申报的公示

2022/4/22 公司新闻

成都中成华瑞科技有限公司:

白鹤滩水电站位于四川省凉山州宁南县和云南省昭通市巧家县境内,是金沙江下游干流河段梯级开发的第二个梯级电站, 该水电站建成后,为仅次于三峡水电站成为中国第二大水电站。依托白鹤滩水电站开展了灌浆与锚固智能化系统平台的研发, 负责的主要工作为理论体系构架,智能算法开发,系统平台实施。 现拟将由成都中成华瑞科技有限公司参与完成 的“灌浆与锚固智能化系统研发及施工技术”项目申报2022年度四川省科学技术奖。

一、项目名称

  灌浆与锚固智能化系统研发及施工技术

二、提名单位

  成都市

三、提名单位意见

  同意提名该项目为四川省科技进步奖。

四、项目简介

  岩土工程的灌浆与锚固技术,作为岩石地基处理中最普遍、最可靠的方法,工程应用广泛。 伴随着“两新一重”政策的加持,加之国家发展和工程建设需要,对岩土工程灌浆与锚固工程质量、 施工安全、提质增效都提出了新的要求,在信息化、数字化、智能化的时代背景下,人工智能和大数据建设等新技 术与传统灌浆与锚固技术的融合发展正成为未来发展的主要方向。 因此开展灌浆与锚固智能化系统研发及施工技术的研究与应用是很有必要的。

  项目形成了完善的灌浆与锚固智能化系统研发及施工技术体系,达到了国际领先水平,具有广阔的推广应用前景和很强的竞争力。项目显著提高了地基与基础处理自动化、智能化施工技术水平,改善了包括地基与基础处理专业在内的建筑业劳动密集型的现状。研究成果在国内外以及一带一路沿线国家得到广泛应用,取得了显著的经济、社会和质量效益。项目相关成果国家发明专利7项,实用新型专利授权11项,软件著作权授权14项。

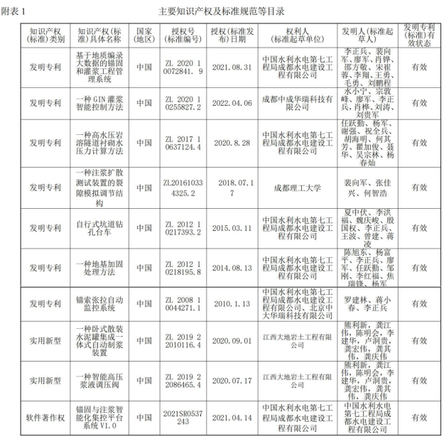
五、主要知识产权和标准规范等目录

六、论文专著目录

七、主要完成人

  李正兵、裴向军、陈旭东、殷国权、廖军、任跃勤、水小宁、龚宏伟。

八、完成单位

现将“灌浆与锚固智能化系统研发及施工技术”成果申报2022年度四川省科学技术奖进行公示。公示期为2022年4月22日-2022年4月29日。

任何单位或个人对推荐项目公示内容有异议的,书面提出异议。以单位名义提出异议的,应当加盖本单位公章;个人提出异议的,应当签署真实姓名、工作单位和联系方式。非书面异议、匿名异议和公示期之外的逾期异议不予受理。

联系人:柳青

联系电话:028-87373660

传 真:028-87373660

通讯地址:成都市武侯区二环路西一段8号

邮 编:610041

成都中成华瑞科技有限公司

2022年4月22日

2022年度四川省科技进步奖申报公示下载

服务热线:

028-87373660

微信公众号